| 参数 Parameter | 数值 Value |
|---|---|
| 速度 Speed | 60-80PCS/MIN |
| 输出功率 Output Power | 14KW |
| 电源 Power Supply | AC220V 50/60Hz |
| 气压 Air Pressure | 0.6-0.8MPa |
| 重量 Weight | 1500 KG |
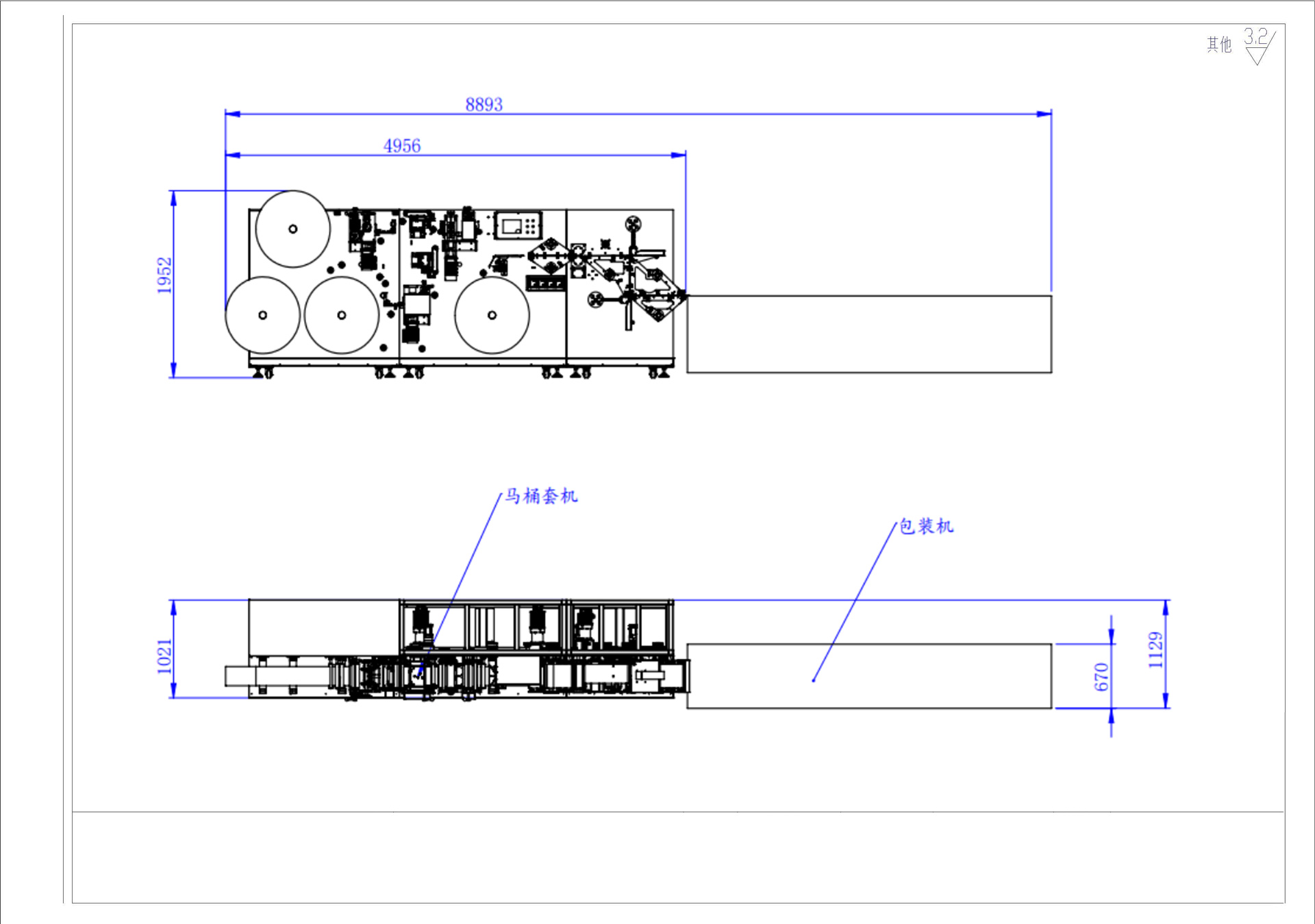
| 尺寸 Dimensions | 4956*1021*1952mm |

广东汇通智能装备科技有限公司旗下东莞市汇通自动化设备科技有限公司成立于2008年,是国家高新技术企业,国家专精特新企业。18年来一直专注于超声波技术与自动化设备开发,拥有26名专家团队,长年研究实践,通过不间断市场化运作,对产品进行技术迭代,共取得各类专利认证104项。持续为客户提供高效、稳定的自动化生产设备。自成立以来,秉承以“融汇贯通,匠心智造”为核心理念,以用户需求为核心,以市场为导向,为全球43个国家地区客户提供超10000台质量稳定自动化设备,贴心周到的360体系售后无忧服务。
2008
起源于16000㎡
厂房面积20000+
服务客户sales5@sinvta.com